Оплата
Доставка
Схема проезда
Личный кабинет
Регистрация
Авторизация
+7 499 500 40 90
Звонок бесплатно: 8 800 201 75 15 с мобильных телефонов и из других регионов
Время работы: понедельник-четверг с 9.15 до 18.00 пятница с 9.30 до 17.00
0
Tоваров,
на
0.00р.
(с НДС)
Ваша корзина пуста!
Я ищу, например,
Цепи SKF
Информация
×
Поиск
×
Категории
Вакансии
Подшипники
Подшипники SKF
Высокотехнологичные изделия
Гибридные радиальные шарикоподшипники
Гибридные радиальные шарикоподшипники с уплотнениями, смазанные на весь срок службы
Подшипники cо встроенными датчиками
Радиальные шарикоподшипники INSOCOAT
Цилиндрические роликоподшипники INSOCOAT
Игольчатые подшипники
Внутренние кольца игольчатых роликоподшипников
Игольчатые ролики
Игольчатые роликоподшипники с механически обработанными кольцами, без бортов, без внутреннего кольца
Игольчатые роликоподшипники с механически обработанными кольцами, без бортов, с внутренним кольцом
Игольчатые роликоподшипники с механически обработанными кольцами, с бортами, без внутреннего кольца
Игольчатые роликоподшипники с механически обработанными кольцами, с бортами, с внутренним кольцом
Игольчатые роликоподшипники со штампованным наружным кольцом
Комбинированные радиально-упорные шарикоподшипники с игольчатыми роликами
Комбинированные упорные цилиндрические роликоподшипники с игольчатыми роликами
Комбинированные упорные шарикоподшипники с игольчатыми роликами, упорный бессепараторный шарикоподшипник
Комбинированные упорные шарикоподшипники с игольчатыми роликами, упорный шарикоподшипник с сепаратором
Комплекты игольчатых роликов с сепаратором
Комплекты упорных игольчатых роликов с сепараторами и кольцами
Опорные ролики на основе роликоподшипников без фланцевых колец, без внутреннего кольца
Опорные ролики на основе роликоподшипников без фланцевых колец, с внутренним кольцом
Опорные ролики на основе роликоподшипников с фланцевыми кольцами, с внутренним кольцом
Опорные ролики с цапфой
Самоустанавливающиеся игольчатые роликоподшипники с внутренним кольцом
Самоустанавливающиеся игольчатые роликоподшипники без внутреннего кольца
Упорные игольчатые роликоподшипники с центрирующим фланцем и соответствующими шайбами
Конические роликоподшипники
Конические роликоподшипники с дюймовыми размерами
Конические роликоподшипники с метрическими размерами
Конические роликоподшипники с фланцем на наружном кольце
Однорядные конические роликоподшипники, спаренные по X-образной схеме
Однорядные конические роликоподшипники, спаренные по О-образной схеме
Однорядные конические роликоподшипники, спаренные по схеме - «тандем»
Подшипники и подшипниковые узлы типа Y
Y-подшипники
Натяжные подшипниковые узлы
Подшипниковые узлы с фланцевыми корпусами
Стационарные подшипниковые узлы
Подшипники и подшипниковые узлы типа Y для высоких температур
Однорядные радиальные шарикоподшипники для высоких температур
Подшипники типа Y для высоких температур со стопорным винтом для дюймовых валов
Подшипники типа Y для высоких температур со стопорным винтом для метрических валов
Подшипниковые узлы типа Y c литыми стационарными корпусами, для высоких температур для дюймовых валов
Подшипниковые узлы типа Y с литым стационарным корпусом для высоких температур и метрических валов
Подшипниковые узлы типа Y с литым фланцевым квадратным корпусом для высоких температур и дюймовых валов
Подшипниковые узлы типа Y с литым фланцевым квадратным корпусом для высоких температур и метрических валов
Подшипниковые узлы типа Y с литым фланцевым овальным корпусом для высоких температур и дюймовых валов
Подшипниковые узлы типа Y с литым фланцевым овальным корпусом для высоких температур и метрических валов
Принадлежности подшипников
Закрепительные втулки для дюймовых валов
Закрепительные втулки для метрических валов
Прецизионная стопорная гайка со стопорным штифтом типа KMT
Прецизионная стопорная гайка со стопорным штифтом типа KMTA
Стопорная гайка сo встроенным винтом типа KMFE
Стопорная гайка со встроенным фиксирующим устройством типа KMK
Стопорная гайка со стопорным бугелем типа HM(E)
Стопорные гайки со стопорной шайбой типа KM(L)
Стопорные шайбы типа MB(L)
Стопорный бугель типа MS
Стяжные втулки
Радиально-упорные шарикоподшипники
Двухрядные радиально-упорные шарикоподшипники
Двухрядные радиально-упорные шарикоподшипники с уплотнениями
Двухрядные шарикоподшипники - опорные ролики
Однорядные радиально-упорные шарикоподшипники
Шарикоподшипники с четырехточечным контактом
Радиальные шарикоподшипники
Двухрядные радиальные шарикоподшипники
Однорядные радиальные шарикоподшипники
Однорядные радиальные шарикоподшипники с канавкой под стопорное кольцо
Однорядные радиальные шарикоподшипники с канавкой под стопорное кольцо и защитными шайбами
Однорядные радиальные шарикоподшипники с пазом для ввода шариков
Однорядные радиальные шарикоподшипники с пазом для ввода шариков и стопорным кольцом
Однорядные радиальные шарикоподшипники с уплотнениями
Опорные ролики
Подшипниковые ICOS узлы с манжетными уплотнениями
Радиальные шарикоподшипники из нержавеющей стали
Радиальные шарикоподшипники из нержавеющей стали с уплотнениями
Самоустанавливающиеся шарикоподшипники
Самоустанавливающиеся шарикоподшипники
Самоустанавливающиеся шарикоподшипники на закрепительной втулке
Самоустанавливающиеся шарикоподшипники с уплотнениями
Самоустанавливающиеся шарикоподшипники с широким внутренним кольцом
Стационарные корпуса SNL для подшипников
Стационарные корпуса SNL для подшипников на закрепительной втулке
Стационарные корпуса SNL для подшипников с цилиндрическим отверстием
Торцевые крышки для стационарных корпусов SNL
Уплотнения для стационарных корпусов SNL
Сферические роликоподшипники
Сферические подшипники на стяжной втулке
Сферические роликоподшипники
Сферические роликоподшипники для вибромашин
Сферические роликоподшипники на закрепительной втулке
Сферические роликоподшипники с уплотнениями
Тороидальные роликоподшипники CARB
Тороидальные роликоподшипники CARB
Тороидальные роликоподшипники CARB на закрепительной втулке
Тороидальные роликоподшипники CARB на стяжной втулке
Тороидальные роликоподшипники CARB с уплотнениями
Упорные сферические роликоподшипники
Упорные цилиндрические роликоподшипники
Упорные шарикоподшипники
Двойные упорные шарикоподшипники
Двойные упорные шарикоподшипники со сферическими подкладными кольцами
Одинарные упорные шарикоподшипники
Одинарные упорные шарикоподшипники со сферическим подкладным кольцом
Цилиндрические роликоподшипники
Двухрядные бессепараторные цилиндрические роликоподшипники с максимальным количеством роликов
Двухрядные цилиндрические роликоподшипники с максимальным количеством роликов с уплотнениями
Однорядные бессепараторные цилиндрические роликоподшипники с максимальным количеством роликов
Однорядные цилиндрические роликоподшипники
Подшипники ZKL
Конические роликовые подшипники
Однорядные конические роликовые подшипники дюймовых размеров
Однорядные конические роликовые подшипники метрических размеров
Четырехрядные конические роликовые подшипники
Подшипники и подшипниковые узлы типа Y
Y-подшипники ZKL
Подшипниковые узлы с фланцевыми корпусами
Стационарные подшипниковые узлы
Принадлежности для подшипников
Зажимные втулки
Стопорные шайбы и стопорные вкладыши
Стяжные втулки
Сферические роликовые подшипники
Двухрядные сферические роликовые подшипники
Двухрядные сферические роликовые подшипники с уплотнением
Поперечно-разъемные сферические роликовые подшипники
Упорные сферические роликовые подшипники
Цилиндрические роликовые подшипники
Двухрядные цилиндрические роликовые подшипники
Двухрядные цилиндрические роликовые подшипники с полным числом тел качения
Однорядные цилиндрические роликовые подшипники
Поперечно-разъемные цилиндрические роликовые подшипники
Упорные цилиндрические роликовые подшипники
Цилиндрические роликовые подшипники с полным числом тел качения
Цилиндрические роликовые подшипники с электрической изоляцией
Шариковые подшипники
Гибридные шариковые подшипники
Двойные упорные шариковые подшипники
Двойные упорные шариковые подшипники со сферическими свободными кольцами
Двухрядные радиально-упорные шариковые подшипники
Двухрядные радиально-упорные шариковые подшипники с уплотнением
Двухрядные самоустанавливающиеся шариковые подшипники
Одинарные упорные шариковые подшипники
Одинарные упорные шариковые подшипники со сферическим свободным кольцом
Однорядные радиально-упорные шариковые подшипники
Однорядные шариковые подшипники
Однорядные шариковые подшипники с защитной шайбой или уплотнением
Однорядные шариковые подшипники с канавкой для стопорного кольца
Четырехточечные подшипники
Шариковые подшипники с электрической изоляцией
Компания
Уплотнения
Манжетные уплотнения с металлическим корпусом
исполнение CRW1
исполнение CRWA1
Манжетные уплотнения из эластомера, армированные
исполнение HMS5
исполнение HMSA10
Манжетные уплотнения с размерами в дюймах
O-образные кольцевые уплотнения (O-ring)
V-образные кольцевые уплотнения (V-ring)
Износостойкие втулки Speedi Sleeve
Приводные цепи
Цепи допускающие изгиб
Цепи с полыми штифтами
Пластинчатые цепи
Зубчатые цепи
Конвейерные цепи
Двухшаговые цепи
Цепи с прямой боковой гранью
Цепи для нефтяной промышленности
Самосмазывающиеся цепи
Роликовые цепи ANSI
Коррозионностойкие цепи
Цепи из нержавеющей стали
Цепи повышенной прочности
Переходное звено BS.ISO
Соединительное звено BS.ISO
Переходное звено ANSI
Соединительное звено ANSI
Роликовые цепи BS.ISO
Сервис
Звездочки
Однорядные звездочки ANSI с черновым отверстием
Звездочки 100-1 ANSI с черновым отверстием шаг 31,75 мм без ступицы
Звездочки 100-1 ANSI с черновым отверстием шаг 31,75 мм со ступицей
Звездочки 120-1 ANSI с черновым отверстием шаг 38,1 мм без ступицы
Звездочки 120-1 ANSI с черновым отверстием шаг 38,1 мм со ступицей
Звездочки 140-1 ANSI с черновым отверстием шаг 44,45 мм без ступицы
Звездочки 140-1 ANSI с черновым отверстием шаг 44,45 мм со ступицей
Звездочки 160-1 ANSI с черновым отверстием шаг 50,8 мм без ступицы
Звездочки 160-1 ANSI с черновым отверстием шаг 50,8 мм со ступицей
Звездочки 180-1 ANSI с черновым отверстием шаг 57,15 мм без ступицы
Звездочки 180-1 ANSI с черновым отверстием шаг 57,15 мм со ступицей
Звездочки 200-1 ANSI с черновым отверстием шаг 63,5 мм без ступицы
Звездочки 200-1 ANSI с черновым отверстием шаг 63,5 мм со ступицей
Звездочки 240-1 ANSI с черновым отверстием шаг 76,2 мм без ступицы
Звездочки 240-1 ANSI с черновым отверстием шаг 76,2 мм со ступицей
Звездочки 25-1 ANSI с черновым отверстием шаг 6,35 мм без ступицы
Звездочки 25-1 ANSI с черновым отверстием шаг 6,35 мм со ступицей
Звездочки 35-1 ANSI с черновым отверстием шаг 9,525 мм без ступицы
Звездочки 35-1 ANSI с черновым отверстием шаг 9,525 мм со ступицей
Звездочки 40-1 ANSI с черновым отверстием шаг 12,7 мм без ступицы
Звездочки 40-1 ANSI с черновым отверстием шаг 12,7 мм со ступицей
Звездочки 50-1 ANSI с черновым отверстием шаг 15,88 мм без ступицы
Звездочки 50-1 ANSI с черновым отверстием шаг 15,88 мм со ступицей
Звездочки 60-1 ANSI с черновым отверстием шаг 19,05 мм без ступицы
Звездочки 60-1 ANSI с черновым отверстием шаг 19,05 мм со ступицей
Звездочки 80-1 ANSI с черновым отверстием шаг 25,4 мм без ступицы
Звездочки 80-1 ANSI с черновым отверстием шаг 25,4 мм со ступицей
Однорядные звездочки ANSI с коническим отверстием
Звездочки 100-1 шаг 31,75 мм со ступицей
Звездочки 120-1 шаг 38,1 мм со ступицей
Звездочки 140-1 шаг 44,45 мм со ступицей
Звездочки 160-1 шаг 50,8 мм со ступицей
Звездочки 35-1 шаг 9,525 мм со ступицей
Звездочки 40-1 шаг 12,7 мм со ступицей
Звездочки 41-1 шаг 12,7 мм со ступицей
Звездочки 50-1 шаг 15,88 мм со ступицей
Звездочки 60-1 шаг 19,05 мм со ступицей
Звездочки 80-1 шаг 25,4 мм со ступицей
Однорядные звездочки BS/ISO с черновым отверстием
Звездочки 05B-1 для приводных цепей BS/ISO 05B-1 шаг 8 мм без ступицы
Звездочки 05B-1 для приводных цепей BS/ISO 05B-1 шаг 8 мм со ступицей
Звездочки 06B-1 для приводных цепей BS/ISO 06B-1 шаг 9,525 мм без ступицы
Звездочки 06B-1 для приводных цепей BS/ISO 06B-1 шаг 9,525 мм со ступицей
Звездочки 08B-1 для приводных цепей BS/ISO 08B-1 шаг 12,7 мм без ступицы
Звездочки 08B-1 для приводных цепей BS/ISO 08B-1 шаг 12,7 мм со ступицей
Звездочки 10B-1 для приводных цепей BS/ISO 08B-1 шаг 15,88 мм со ступицей
Звездочки 10B-1 для приводных цепей BS/ISO 10B-1 шаг 15,88 мм без ступицы
Звездочки 12B-1 для приводных цепей BS/ISO 12B-1 шаг 19,05 мм без ступицы
Звездочки 12B-1 для приводных цепей BS/ISO 12B-1 шаг 19,05 мм со ступицей
Звездочки 16B-1 для приводных цепей BS/ISO 16B-1 шаг 25,4 мм без ступицы
Звездочки 16B-1 для приводных цепей BS/ISO 16B-1 шаг 25,4 мм со ступицей
Звездочки 20B-1 для приводных цепей BS/ISO 20B-1 шаг 31,75 мм без ступицы
Звездочки 20B-1 для приводных цепей BS/ISO 20B-1 шаг 31,75 мм со ступицей
Звездочки 24B-1 для приводных цепей BS/ISO 24B-1 шаг 38,1 мм без ступицы
Звездочки 24B-1 для приводных цепей BS/ISO 24B-1 шаг 38,1 мм со ступицей
Звездочки 28B-1 для приводных цепей BS/ISO 28B-1 шаг 44,45 мм без ступицы
Звездочки 28B-1 для приводных цепей BS/ISO 28B-1 шаг 44,45 мм со ступицей
Звездочки 32B-1 для приводных цепей BS/ISO 32B-1 шаг 50,8 мм без ступицы
Звездочки 32B-1 для приводных цепей BS/ISO 32B-1 шаг 50,8 мм со ступицей
Однорядные звездочки BS/ISO с коническим отверстием
Звездочки 06B-1 с коническим отверстием шаг 9,525 мм со ступицей
Звездочки 08B-1 с коническим отверстием шаг 12,7 мм со ступицей
Звездочки 10B-1 с коническим отверстием шаг 15,88 мм со ступицей
Звездочки 12B-1 с коническим отверстием шаг 19,05 мм со ступицей
Звездочки 16B-1 с коническим отверстием шаг 25,4 мм со ступицей
Звездочки 20B-1 с коническим отверстием шаг 31,75 мм со ступицей
Звездочки 24B-1 с коническим отверстием шаг 38,1 мм со ступицей
Звездочки 28B-1 с коническим отверстием шаг 44,45 мм со ступицей
Звездочки 32B-1 с коническим отверстием шаг 50,8 мм со ступицей
Двухрядные звездочки ANSI с черновым отверстием
Звездочки 100-2 ANSI с черновым отверстием шаг 31,75 мм со ступицей
Звездочки 120-2 ANSI с черновым отверстием шаг 38,1 мм со ступицей
Звездочки 140-2 ANSI с черновым отверстием шаг 44,45 мм со ступицей
Звездочки 160-2 ANSI с черновым отверстием шаг 50,8 мм со ступицей
Звездочки 200-2 ANSI с черновым отверстием шаг 63,5 мм со ступицей
Звездочки 35-2 ANSI с черновым отверстием шаг 9,525 мм со ступицей
Звездочки 40-2 ANSI с черновым отверстием шаг 12,7 мм со ступицей
Звездочки 50-2 ANSI с черновым отверстием шаг 15,88 мм со ступицей
Звездочки 60-2 ANSI с черновым отверстием шаг 19,05 мм со ступицей
Звездочки 80-2 ANSI с черновым отверстием шаг 25,4 мм со ступицей
Двухрядные звездочки ANSI с коническим отверстием
Звездочки 100-2 шаг 31,75 мм со ступицей
Звездочки 35-2 шаг 9,525 мм со ступицей
Звездочки 40-2 шаг 12,7 мм со ступицей
Звездочки 50-2 шаг 15,88 мм со ступицей
Звездочки 60-2 шаг 19,05 мм со ступицей
Звездочки 80-2 шаг 25,4 мм со ступицей
Двухрядные звездочки BS/ISO с черновым отверстием
Звездочки 06B-2 для приводных цепей BS/ISO 06B-2 шаг 9,525 мм со ступицей
Звездочки 08B-2 для приводных цепей BS/ISO 08B-2 шаг 12,7 мм со ступицей
Звездочки 10B-2 для приводных цепей BS/ISO 10B-2 шаг 15,88 мм со ступицей
Звездочки 12B-2 для приводных цепей BS/ISO 12B-2 шаг 19,05 мм со ступицей
Звездочки 16B-2 для приводных цепей BS/ISO 16B-2 шаг 25,4 мм со ступицей
Звездочки 20B-2 для приводных цепей BS/ISO 20B-2 шаг 31,75 мм со ступицей
Звездочки 24B-2 для приводных цепей BS/ISO 24B-2 шаг 38,1 мм со ступицей
Звездочки 28B-2 для приводных цепей BS/ISO 28B-2 шаг 44,45 мм со ступицей
Звездочки 32B-2 для приводных цепей BS/ISO 32B-2 шаг 50,8 мм со ступицей
Двухрядные звездочки BS/ISO с коническим отверстием
Звездочки 06B-2 с коническим отверстием шаг 9,525 мм со ступицей
Звездочки 08B-2 с коническим отверстием шаг 12,7 мм со ступицей
Звездочки 10B-2 с коническим отверстием шаг 15,88 мм со ступицей
Звездочки 12B-2 с коническим отверстием шаг 19,05 мм со ступицей
Звездочки 16B-2 с коническим отверстием шаг 25,4 мм со ступицей
Звездочки 20B-2 с коническим отверстием шаг 31,75 мм со ступицей
Трехрядные звездочки ANSI с черновым отверстием
Звездочки 100-3 ANSI с черновым отверстием шаг 31,75 мм со ступицей
Звездочки 35-3 ANSI с черновым отверстием шаг 9,525 мм со ступицей
Звездочки 40-3 ANSI с черновым отверстием шаг 12,7 мм со ступицей
Звездочки 50-3 ANSI с черновым отверстием шаг 15,88 мм со ступицей
Звездочки 60-3 ANSI с черновым отверстием шаг 19,05 мм со ступицей
Звездочки 80-3 ANSI с черновым отверстием шаг 25,4 мм со ступицей
Трехрядные звездочки BS/ISO с черновым отверстием
Звездочки 06B-3 для приводных цепей BS/ISO 06B-3 шаг 9,525 мм со ступицей
Звездочки 08B-3 для приводных цепей BS/ISO 08B-3 шаг 12,7 мм со ступицей
Звездочки 10B-3 для приводных цепей BS/ISO 10B-3 шаг 15,88 мм со ступицей
Звездочки 12B-3 для приводных цепей BS/ISO 12B-3 шаг 19,05 мм со ступицей
Звездочки 16B-3 для приводных цепей BS/ISO 16B-3 шаг 25,4 мм со ступицей
Звездочки 20B-3 для приводных цепей BS/ISO 20B-3 шаг 31,75 мм со ступицей
Трехрядные звездочки BS/ISO с коническим отверстием
Звездочки 12B-3 с коническим отверстием шаг 19,05 мм без ступицы
Звездочки 12B-3 с коническим отверстием шаг 19,05 мм со ступицей
Звездочки 16B-3 с коническим отверстием шаг 25,4 мм со ступицей
Услуги
Приводные ремни
Ремни клиновые классические
Многоручьевые с оберткой боковых граней
Профиль 13/A
Профиль 17/B
Профиль 22/C
Профиль 32/D
С оберткой боковых граней
Профиль 10/Z
Профиль 13/A
Профиль 17/B
Профиль 22/C
Профиль 32/D
Профиль 38/E
С фасонным зубом
Профиль X10/ZX
Профиль X13/AX
Профиль X17/BX
Профиль X22/CX
Шестигранные с оберткой боковых граней
Профиль AA/HAA
Профиль BB/HBB
Профиль CC/HCC
Ремни узкоклиновые
Многоручьевые с оберткой боковых граней
Профиль SPA
Профиль SPB
Профиль SPC
Необслуживаемые с оберткой боковых граней
Профиль SPA, XP
Профиль SPB, XP
Профиль SPC, XP
Профиль SPZ, XP
С оберткой боковых граней
Профиль SPA
Профиль SPB
Профиль SPC
Профиль SPZ
С фасонным зубом
Профиль XPA
Профиль XPB
Профиль XPC
Профиль XPZ
Ремни узкоклиновые стандарта США
Многоручьевые с оберткой боковых граней
Профиль 3V/9J
Профиль 5V/15J
Профиль 8V/25J
Необслуживаемые с оберткой боковых граней
Профиль 3V/9N, XP
Профиль 5V/15N, XP
Профиль 8V/25N, XP
С оберткой боковых граней
Профиль 3V/9N
Профиль 5V/15N
Профиль 8V/25N
С фасонным зубом
Профиль 3VX/9NX
Профиль 5VX/15NX
Доставка
Шкивы
Шкивы SKF
Шкивы для зубчатых ремней
Зубчатые шкивы HiTD
Шкивы для классических зубчатых ремней
Шкивы для метрических зубчатых ремней
Шкивы для клиновых ремней
Шкивы для классических клиновых ремней
Шкивы для узких клиновых ремней
Шкивы для узких клиновых ремней стандарта США
Шкивы KRB
Шкивы для узких клиновых ремней профиль SPA с коническим отверстием
Шкивы для узких клиновых ремней профиль SPB с коническим отверстием
Шкивы для узких клиновых ремней профиль SPC с коническим отверстием
Шкивы для узких клиновых ремней профиль SPZ с коническим отверстием
Оплата
Втулки и ступицы
Втулки и ступицы SKF
Бесшпоночные втулки FX
Конические втулки с дюймовыми размерами
Конические втулки с метрическими размерами
Приварные ступицы
Ступицы под соединение болтами
Втулки и ступицы KRB
Конические втулки с дюймовыми размерами
Конические втулки с метрическими размерами
Приварные ступицы
Ступицы под соединение болтами
Соединительные муфты
Муфты SKF
Двойные универсальные шарниры (шарниры Гука)
Жесткие муфты SKF
Зубчатые муфты SKF двойного сцепления
Зубчатые муфты SKF двойного сцепления вертикальные
Зубчатые муфты SKF двойного сцепления скользящие
Зубчатые муфты SKF жёсткая втулка с фланцем
Зубчатые муфты SKF одинарного сцепления
Зубчатые муфты SKF одинарного сцепления скользящие
Кулачковые муфты SKF
Муфты FRC
Муфты SKF с металлическим пружинным элементом с вертикальной плоскостью разъема корпуса
Муфты SKF с металлическим пружинным элементом с горизонтальной плоскостью разъема корпуса
Универсальные шарниры (шарниры Гука)
Упругие муфты SKF Flex
Цепные муфты SKF
Муфты Desch
Упругие муфты Desch PEX
Упругие муфты Habix HWN
Упругие муфты Habix HWT
Упругие муфты Hadeflex FNW
Упругие муфты Hadeflex FW
Упругие муфты Hadeflex TX03
Упругие муфты Hadeflex XW1
Упругие муфты Orpex
Муфты KRB
Зубчатые муфты KRB двойного сцепления скользящие
Кулачковые муфты KRB
Муфты FRC
Муфты KRB GE
Муфты KRB с металлическим пружинным элементом с горизонтальной плоскостью разъема корпуса
Упругие муфты KRB Flex
Контакты
Продукция LOCTITE
Фиксация резьбовых соединений
Герметизация соединений
Формирование прокладок
Цилиндрическая фиксация
Моментальные клеи
Промышленные клеи
Восстановление и защита
Очистители
Смазки
Разделительные составы
Разное
Оборудование
Каталоги
Смазки
Пластичные смазки
Специальные смазки
Смазки, совместимые с пищевыми продуктами
Инструмент SKF
Оборудование для смазывания
Оборудование для монтажа, демонтажа
Индукционные нагреватели
Измерительные и диагностические приборы
Корпуса SNH (HCB)
Стационарные корпуса SNH (HCB) для подшипников на закрепительной втулке
Уплотнения для стационарных корпусов SNH (HCB)
Торцевые крышки для стационарных корпусов SNH (HCB)
Стационарные корпуса SNH (HCB) для подшипников с цилиндрическим отверстием
Вакансии
Компания
Сервис
Услуги
Доставка
Оплата
Контакты
Каталоги
Категории
Вакансии
Подшипники
Подшипники SKF
- Высокотехнологичные изделия
- Игольчатые подшипники
- Конические роликоподшипники
- Подшипники и подшипниковые узлы типа Y
- Подшипники и подшипниковые узлы типа Y для высоких температур
- Принадлежности подшипников
- Радиально-упорные шарикоподшипники
- Радиальные шарикоподшипники
- Самоустанавливающиеся шарикоподшипники
- Стационарные корпуса SNL для подшипников
- Сферические роликоподшипники
- Тороидальные роликоподшипники CARB
- Упорные сферические роликоподшипники
- Упорные цилиндрические роликоподшипники
- Упорные шарикоподшипники
- Цилиндрические роликоподшипники
Подшипники ZKL
- Конические роликовые подшипники
- Подшипники и подшипниковые узлы типа Y
- Принадлежности для подшипников
- Сферические роликовые подшипники
- Цилиндрические роликовые подшипники
- Шариковые подшипники
Компания
Уплотнения
Манжетные уплотнения с металлическим корпусом
- исполнение CRW1
- исполнение CRWA1
Манжетные уплотнения из эластомера, армированные
- исполнение HMS5
- исполнение HMSA10
Манжетные уплотнения с размерами в дюймах
O-образные кольцевые уплотнения (O-ring)
V-образные кольцевые уплотнения (V-ring)
Износостойкие втулки Speedi Sleeve
Приводные цепи
Цепи допускающие изгиб
Цепи с полыми штифтами
Пластинчатые цепи
Зубчатые цепи
Конвейерные цепи
Двухшаговые цепи
Цепи с прямой боковой гранью
Цепи для нефтяной промышленности
Самосмазывающиеся цепи
Роликовые цепи ANSI
Коррозионностойкие цепи
Цепи из нержавеющей стали
Цепи повышенной прочности
Переходное звено BS.ISO
Соединительное звено BS.ISO
Переходное звено ANSI
Соединительное звено ANSI
Роликовые цепи BS.ISO
Сервис
Звездочки
Однорядные звездочки ANSI с черновым отверстием
- Звездочки 100-1 ANSI с черновым отверстием шаг 31,75 мм без ступицы
- Звездочки 100-1 ANSI с черновым отверстием шаг 31,75 мм со ступицей
- Звездочки 120-1 ANSI с черновым отверстием шаг 38,1 мм без ступицы
- Звездочки 120-1 ANSI с черновым отверстием шаг 38,1 мм со ступицей
- Звездочки 140-1 ANSI с черновым отверстием шаг 44,45 мм без ступицы
- Звездочки 140-1 ANSI с черновым отверстием шаг 44,45 мм со ступицей
- Звездочки 160-1 ANSI с черновым отверстием шаг 50,8 мм без ступицы
- Звездочки 160-1 ANSI с черновым отверстием шаг 50,8 мм со ступицей
- Звездочки 180-1 ANSI с черновым отверстием шаг 57,15 мм без ступицы
- Звездочки 180-1 ANSI с черновым отверстием шаг 57,15 мм со ступицей
- Звездочки 200-1 ANSI с черновым отверстием шаг 63,5 мм без ступицы
- Звездочки 200-1 ANSI с черновым отверстием шаг 63,5 мм со ступицей
- Звездочки 240-1 ANSI с черновым отверстием шаг 76,2 мм без ступицы
- Звездочки 240-1 ANSI с черновым отверстием шаг 76,2 мм со ступицей
- Звездочки 25-1 ANSI с черновым отверстием шаг 6,35 мм без ступицы
- Звездочки 25-1 ANSI с черновым отверстием шаг 6,35 мм со ступицей
- Звездочки 35-1 ANSI с черновым отверстием шаг 9,525 мм без ступицы
- Звездочки 35-1 ANSI с черновым отверстием шаг 9,525 мм со ступицей
- Звездочки 40-1 ANSI с черновым отверстием шаг 12,7 мм без ступицы
- Звездочки 40-1 ANSI с черновым отверстием шаг 12,7 мм со ступицей
- Звездочки 50-1 ANSI с черновым отверстием шаг 15,88 мм без ступицы
- Звездочки 50-1 ANSI с черновым отверстием шаг 15,88 мм со ступицей
- Звездочки 60-1 ANSI с черновым отверстием шаг 19,05 мм без ступицы
- Звездочки 60-1 ANSI с черновым отверстием шаг 19,05 мм со ступицей
- Звездочки 80-1 ANSI с черновым отверстием шаг 25,4 мм без ступицы
- Звездочки 80-1 ANSI с черновым отверстием шаг 25,4 мм со ступицей
Однорядные звездочки ANSI с коническим отверстием
- Звездочки 100-1 шаг 31,75 мм со ступицей
- Звездочки 120-1 шаг 38,1 мм со ступицей
- Звездочки 140-1 шаг 44,45 мм со ступицей
- Звездочки 160-1 шаг 50,8 мм со ступицей
- Звездочки 35-1 шаг 9,525 мм со ступицей
- Звездочки 40-1 шаг 12,7 мм со ступицей
- Звездочки 41-1 шаг 12,7 мм со ступицей
- Звездочки 50-1 шаг 15,88 мм со ступицей
- Звездочки 60-1 шаг 19,05 мм со ступицей
- Звездочки 80-1 шаг 25,4 мм со ступицей
Однорядные звездочки BS/ISO с черновым отверстием
- Звездочки 05B-1 для приводных цепей BS/ISO 05B-1 шаг 8 мм без ступицы
- Звездочки 05B-1 для приводных цепей BS/ISO 05B-1 шаг 8 мм со ступицей
- Звездочки 06B-1 для приводных цепей BS/ISO 06B-1 шаг 9,525 мм без ступицы
- Звездочки 06B-1 для приводных цепей BS/ISO 06B-1 шаг 9,525 мм со ступицей
- Звездочки 08B-1 для приводных цепей BS/ISO 08B-1 шаг 12,7 мм без ступицы
- Звездочки 08B-1 для приводных цепей BS/ISO 08B-1 шаг 12,7 мм со ступицей
- Звездочки 10B-1 для приводных цепей BS/ISO 08B-1 шаг 15,88 мм со ступицей
- Звездочки 10B-1 для приводных цепей BS/ISO 10B-1 шаг 15,88 мм без ступицы
- Звездочки 12B-1 для приводных цепей BS/ISO 12B-1 шаг 19,05 мм без ступицы
- Звездочки 12B-1 для приводных цепей BS/ISO 12B-1 шаг 19,05 мм со ступицей
- Звездочки 16B-1 для приводных цепей BS/ISO 16B-1 шаг 25,4 мм без ступицы
- Звездочки 16B-1 для приводных цепей BS/ISO 16B-1 шаг 25,4 мм со ступицей
- Звездочки 20B-1 для приводных цепей BS/ISO 20B-1 шаг 31,75 мм без ступицы
- Звездочки 20B-1 для приводных цепей BS/ISO 20B-1 шаг 31,75 мм со ступицей
- Звездочки 24B-1 для приводных цепей BS/ISO 24B-1 шаг 38,1 мм без ступицы
- Звездочки 24B-1 для приводных цепей BS/ISO 24B-1 шаг 38,1 мм со ступицей
- Звездочки 28B-1 для приводных цепей BS/ISO 28B-1 шаг 44,45 мм без ступицы
- Звездочки 28B-1 для приводных цепей BS/ISO 28B-1 шаг 44,45 мм со ступицей
- Звездочки 32B-1 для приводных цепей BS/ISO 32B-1 шаг 50,8 мм без ступицы
- Звездочки 32B-1 для приводных цепей BS/ISO 32B-1 шаг 50,8 мм со ступицей
Однорядные звездочки BS/ISO с коническим отверстием
- Звездочки 06B-1 с коническим отверстием шаг 9,525 мм со ступицей
- Звездочки 08B-1 с коническим отверстием шаг 12,7 мм со ступицей
- Звездочки 10B-1 с коническим отверстием шаг 15,88 мм со ступицей
- Звездочки 12B-1 с коническим отверстием шаг 19,05 мм со ступицей
- Звездочки 16B-1 с коническим отверстием шаг 25,4 мм со ступицей
- Звездочки 20B-1 с коническим отверстием шаг 31,75 мм со ступицей
- Звездочки 24B-1 с коническим отверстием шаг 38,1 мм со ступицей
- Звездочки 28B-1 с коническим отверстием шаг 44,45 мм со ступицей
- Звездочки 32B-1 с коническим отверстием шаг 50,8 мм со ступицей
Двухрядные звездочки ANSI с черновым отверстием
- Звездочки 100-2 ANSI с черновым отверстием шаг 31,75 мм со ступицей
- Звездочки 120-2 ANSI с черновым отверстием шаг 38,1 мм со ступицей
- Звездочки 140-2 ANSI с черновым отверстием шаг 44,45 мм со ступицей
- Звездочки 160-2 ANSI с черновым отверстием шаг 50,8 мм со ступицей
- Звездочки 200-2 ANSI с черновым отверстием шаг 63,5 мм со ступицей
- Звездочки 35-2 ANSI с черновым отверстием шаг 9,525 мм со ступицей
- Звездочки 40-2 ANSI с черновым отверстием шаг 12,7 мм со ступицей
- Звездочки 50-2 ANSI с черновым отверстием шаг 15,88 мм со ступицей
- Звездочки 60-2 ANSI с черновым отверстием шаг 19,05 мм со ступицей
- Звездочки 80-2 ANSI с черновым отверстием шаг 25,4 мм со ступицей
Двухрядные звездочки ANSI с коническим отверстием
- Звездочки 100-2 шаг 31,75 мм со ступицей
- Звездочки 35-2 шаг 9,525 мм со ступицей
- Звездочки 40-2 шаг 12,7 мм со ступицей
- Звездочки 50-2 шаг 15,88 мм со ступицей
- Звездочки 60-2 шаг 19,05 мм со ступицей
- Звездочки 80-2 шаг 25,4 мм со ступицей
Двухрядные звездочки BS/ISO с черновым отверстием
- Звездочки 06B-2 для приводных цепей BS/ISO 06B-2 шаг 9,525 мм со ступицей
- Звездочки 08B-2 для приводных цепей BS/ISO 08B-2 шаг 12,7 мм со ступицей
- Звездочки 10B-2 для приводных цепей BS/ISO 10B-2 шаг 15,88 мм со ступицей
- Звездочки 12B-2 для приводных цепей BS/ISO 12B-2 шаг 19,05 мм со ступицей
- Звездочки 16B-2 для приводных цепей BS/ISO 16B-2 шаг 25,4 мм со ступицей
- Звездочки 20B-2 для приводных цепей BS/ISO 20B-2 шаг 31,75 мм со ступицей
- Звездочки 24B-2 для приводных цепей BS/ISO 24B-2 шаг 38,1 мм со ступицей
- Звездочки 28B-2 для приводных цепей BS/ISO 28B-2 шаг 44,45 мм со ступицей
- Звездочки 32B-2 для приводных цепей BS/ISO 32B-2 шаг 50,8 мм со ступицей
Двухрядные звездочки BS/ISO с коническим отверстием
- Звездочки 06B-2 с коническим отверстием шаг 9,525 мм со ступицей
- Звездочки 08B-2 с коническим отверстием шаг 12,7 мм со ступицей
- Звездочки 10B-2 с коническим отверстием шаг 15,88 мм со ступицей
- Звездочки 12B-2 с коническим отверстием шаг 19,05 мм со ступицей
- Звездочки 16B-2 с коническим отверстием шаг 25,4 мм со ступицей
- Звездочки 20B-2 с коническим отверстием шаг 31,75 мм со ступицей
Трехрядные звездочки ANSI с черновым отверстием
- Звездочки 100-3 ANSI с черновым отверстием шаг 31,75 мм со ступицей
- Звездочки 35-3 ANSI с черновым отверстием шаг 9,525 мм со ступицей
- Звездочки 40-3 ANSI с черновым отверстием шаг 12,7 мм со ступицей
- Звездочки 50-3 ANSI с черновым отверстием шаг 15,88 мм со ступицей
- Звездочки 60-3 ANSI с черновым отверстием шаг 19,05 мм со ступицей
- Звездочки 80-3 ANSI с черновым отверстием шаг 25,4 мм со ступицей
Трехрядные звездочки BS/ISO с черновым отверстием
- Звездочки 06B-3 для приводных цепей BS/ISO 06B-3 шаг 9,525 мм со ступицей
- Звездочки 08B-3 для приводных цепей BS/ISO 08B-3 шаг 12,7 мм со ступицей
- Звездочки 10B-3 для приводных цепей BS/ISO 10B-3 шаг 15,88 мм со ступицей
- Звездочки 12B-3 для приводных цепей BS/ISO 12B-3 шаг 19,05 мм со ступицей
- Звездочки 16B-3 для приводных цепей BS/ISO 16B-3 шаг 25,4 мм со ступицей
- Звездочки 20B-3 для приводных цепей BS/ISO 20B-3 шаг 31,75 мм со ступицей
Трехрядные звездочки BS/ISO с коническим отверстием
- Звездочки 12B-3 с коническим отверстием шаг 19,05 мм без ступицы
- Звездочки 12B-3 с коническим отверстием шаг 19,05 мм со ступицей
- Звездочки 16B-3 с коническим отверстием шаг 25,4 мм со ступицей
Услуги
Приводные ремни
Ремни клиновые классические
- Многоручьевые с оберткой боковых граней
- С оберткой боковых граней
- С фасонным зубом
- Шестигранные с оберткой боковых граней
Ремни узкоклиновые
- Многоручьевые с оберткой боковых граней
- Необслуживаемые с оберткой боковых граней
- С оберткой боковых граней
- С фасонным зубом
Ремни узкоклиновые стандарта США
- Многоручьевые с оберткой боковых граней
- Необслуживаемые с оберткой боковых граней
- С оберткой боковых граней
- С фасонным зубом
Доставка
Шкивы
Шкивы SKF
- Шкивы для зубчатых ремней
- Шкивы для клиновых ремней
Шкивы KRB
- Шкивы для узких клиновых ремней профиль SPA с коническим отверстием
- Шкивы для узких клиновых ремней профиль SPB с коническим отверстием
- Шкивы для узких клиновых ремней профиль SPC с коническим отверстием
- Шкивы для узких клиновых ремней профиль SPZ с коническим отверстием
Оплата
Втулки и ступицы
Втулки и ступицы SKF
- Бесшпоночные втулки FX
- Конические втулки с дюймовыми размерами
- Конические втулки с метрическими размерами
- Приварные ступицы
- Ступицы под соединение болтами
Втулки и ступицы KRB
- Конические втулки с дюймовыми размерами
- Конические втулки с метрическими размерами
- Приварные ступицы
- Ступицы под соединение болтами
Соединительные муфты
Муфты SKF
- Двойные универсальные шарниры (шарниры Гука)
- Жесткие муфты SKF
- Зубчатые муфты SKF двойного сцепления
- Зубчатые муфты SKF двойного сцепления вертикальные
- Зубчатые муфты SKF двойного сцепления скользящие
- Зубчатые муфты SKF жёсткая втулка с фланцем
- Зубчатые муфты SKF одинарного сцепления
- Зубчатые муфты SKF одинарного сцепления скользящие
- Кулачковые муфты SKF
- Муфты FRC
- Муфты SKF с металлическим пружинным элементом с вертикальной плоскостью разъема корпуса
- Муфты SKF с металлическим пружинным элементом с горизонтальной плоскостью разъема корпуса
- Универсальные шарниры (шарниры Гука)
- Упругие муфты SKF Flex
- Цепные муфты SKF
Муфты Desch
- Упругие муфты Desch PEX
- Упругие муфты Habix HWN
- Упругие муфты Habix HWT
- Упругие муфты Hadeflex FNW
- Упругие муфты Hadeflex FW
- Упругие муфты Hadeflex TX03
- Упругие муфты Hadeflex XW1
- Упругие муфты Orpex
Муфты KRB
- Зубчатые муфты KRB двойного сцепления скользящие
- Кулачковые муфты KRB
- Муфты FRC
- Муфты KRB GE
- Муфты KRB с металлическим пружинным элементом с горизонтальной плоскостью разъема корпуса
- Упругие муфты KRB Flex
Контакты
Продукция LOCTITE
Фиксация резьбовых соединений
Герметизация соединений
Формирование прокладок
Цилиндрическая фиксация
Моментальные клеи
Промышленные клеи
Восстановление и защита
Очистители
Смазки
Разделительные составы
Разное
Оборудование
Каталоги
Смазки
Пластичные смазки
Специальные смазки
Смазки, совместимые с пищевыми продуктами
Инструмент SKF
Оборудование для смазывания
Оборудование для монтажа, демонтажа
Индукционные нагреватели
Измерительные и диагностические приборы
Корпуса SNH (HCB)
Стационарные корпуса SNH (HCB) для подшипников на закрепительной втулке
Уплотнения для стационарных корпусов SNH (HCB)
Торцевые крышки для стационарных корпусов SNH (HCB)
Стационарные корпуса SNH (HCB) для подшипников с цилиндрическим отверстием
Соединительные муфты
Муфты Desch
Упругие муфты Desch PEX
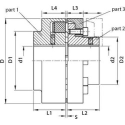
Упругая муфта PEX 140 часть 1
Упругая муфта PEX 140 часть 1
Производитель:
Bearing-Inter
Код товара:
34563
Упругая муфта PEX 140 NRB 80 Shore A (6 шт.)
Упругая муфта PEX 140 часть 2+3
20768.86р.
(с НДС)
(с НДС)
Наличие:
Есть в наличии
Купить
Описание