Область применения
Упругая муфта PEX - это кулачковая муфта с упругими элементами, предназначенная для гибкого соединения валов. Упругие элементы имеют хорошую устойчивость к износу, старению, работают при температуре от -30°C до +80°C. Благодаря своей гибкости они хорошо компенсируют вибрацию и шум. Упругие муфты PEX могут широко применяться в машиностроении, везде, где нужно обеспечить надёжное соединение вала между двигателем и приводом.
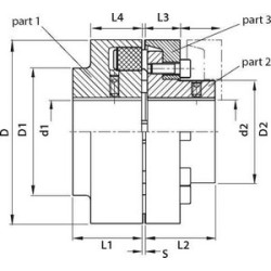
Муфта PEX производится в вариантах, состоящих из двух частей (тип A) и из трёх частей (тип B).
При использовании муфты типа B можно проводить её замену без смещения элементов привода.
Примечание
Муфта в сборе состоит из полумуфты с кулачками ( состоит из дву частей), полумуфты со впадинами и комплекта эластичных элементов. Материал - серый чугун.
Коды для заказа
Для данной муфты можно заказать следующие комплектующие: PEX 200 часть 2+3, PEX 200 часть 4, PEX 200 NRB 80 Shore A (8 шт.)

