Область применения
Упругая муфта Hadeflex - это кулачковая муфта с упругим элементом, предназначенная для гибкого соединения валов. Упругие элементы хорошо работают в условиях повышенного загрязнения, воздействия масел, озона и при температуре от -20°C до +80°C. Благодаря своей гибкости они хорошо компенсируют вибрацию и шум. Упругие муфты Hadeflex могут широко применяться в машиностроении, везде, где нужно обеспечить надёжное соединение вала между двигателем и приводом.
Тип F
Муфта Hadeflex версии F производится в варианте, состоящим из двух частей (серия FW) и из трёх частей (серия FNW).
При использовании муфт серии FNW можно проводить её замену без смещения элементов привода.
Примечание
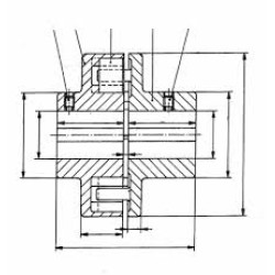
Муфта в сборе состоит из полумуфты с кулачками, полумуфты со впадинами и комплекта эластичных элементов. Материал - серый чугун.
Коды для заказа
Для данной муфты можно заказать следующие комплектующие: FW1 (F1PT00ZA), P20x20x10.

