Область применения
Упругая муфта Hadeflex - это кулачковая муфта с упругим элементом, предназначенная для гибкого соединения валов. Упругие элементы хорошо работают в условиях повышенного загрязнения, воздействия масел, озона и при температуре от -20°C до +80°C. Благодаря своей гибкости они хорошо компенсируют вибрацию и шум. Упругие муфты Hadeflex могут широко применяться в машиностроении, везде, где нужно обеспечить надёжное соединение вала между двигателем и приводом.
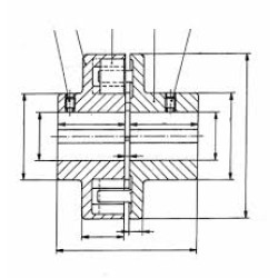
Тип F
Муфта Hadeflex версии F производится в варианте, состоящим из двух частей (серия FW) и из трёх частей (серия FNW).
При использовании муфт серии FNW можно проводить её замену без смещения элементов привода.
Примечание
Муфта в сборе состоит из полумуфты с кулачками, полумуфты со впадинами и комплекта эластичных элементов. Материал - серый чугун.
Коды для заказа
Для данной муфты можно заказать следующие комплектующие: FW5 (F5PT00ZA) со впадинами, P25x20x12

