Область применения
Упругая муфта Hadeflex - это кулачковая муфта с упругим элементом, предназначенная для гибкого соединения валов. Упругие элементы хорошо работают в условиях повышенного загрязнения, воздействия масел, озона и при температуре от-20°C до +80°C. Благодаря своей гибкости они хорошо компенсируют вибрацию и шум. Упругие муфты Hadeflex могут широко применяться в машиностроении, везде, где нужно обеспечить надёжное соединение вала между двигателем и приводом.
Тип XW
Муфты Hadeflex версии X обеспечивают максимальную эксплуатационную безопасность.
Упругий элемент может поставляться в различных исполнениях с твёрдостью как 92 по Шору, так и 98 по Шору, что позволяет передавать больший крутящий момент.
Примечание
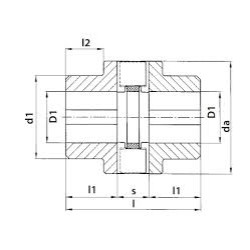
Муфта в сборе состоит из двух полумуфт и упругого элемента. Материал - серый чугун.
Коды для заказа
Для данной муфты можно заказать следующие комплектующие: Stern X42 PUR 92 A прозрачный, Stern X42 PUR 98 A синий

